《不忠》大尺度吸乳,公车上少妇迎合我摩擦,高潮痉挛哭叫失禁h,色翁荡息又大又硬又粗又爽,完美搭档韩国电影
歡迎進入起重機安全監控系統_樓層呼叫器_起重機風速儀_起重量限制器_起重機電子秤_河南恒達機電設備有限公司_恒萊達智能科技官網!
熱線電話:
400-100-1180
首 頁
走進恒達
公司簡介
企業文化
發展歷程
資質榮譽
視頻中心
恒達是一家長期致力于起重機械、建機行業起重保護裝置及物聯網領域儀表和工控等產品的研發、生產、銷售及服務為一體的高新企業。
新聞中心
新聞動態
行業動態
產品知識
注冊資金1000萬元,公司廠房面積20000多平方米,經多年發展,現已成為業內起重機弱電領域全業態的整機配套企業
產品中心
橋門式行業
建筑機械行業
恒達可提供的多樣化、訂制化產品使公司能夠服務支持機械、軍工、垃圾處理焚燒發電、冶金、礦山、電解、造船、電力、鐵路、航空航天、港口、石油化工、核電、汽車、路橋 等領域
監控與服務
質量監控
客戶服務
是中國重型機械工業協會橋式起重機專業委員會及葫蘆分會理事單位及多年的優秀配套件供應商。物料搬運工程設備成套與服務分會理事單位,是ISO9001:2008質量管理體系、武器裝備質量管理體系、歐盟產品CE認證及兩化融合達標企業
公司實力
案例展示
合作伙伴
工程業績
同中國航天集團、中核集團、中車集團、軍工、中國鐵建重工集團、寶鋼集團、青山控股集團、中鋼設備、及太平洋海洋工程有限公司等近百家企業,產品并隨整機遠銷英國、歐盟、俄羅斯、美洲、印度、東南亞、非洲等世界各地
人才招聘
招聘流程
招聘職位
真誠歡迎各界有識之士加入我們的行列,我們將為您提供合理的平臺,與您攜手共創未來
聯系我們
聯系我們
在線留言
銷售網絡
河南恒達 北京恒美萊達 河南恒萊達真誠歡迎您的到來!
網站首頁
>
產品中心
橋門式行業
建筑機械行業
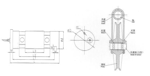
Zx軸銷式傳感器
類 別:
稱重傳感器系列
400電話:
400-100-1180
聯系人:
張先生
聯系電話:
13937375086
產品介紹
安裝位置
安裝案例
返回列表
網上訂購
產品名稱:
Zx軸銷式傳感器
聯系人:
電話:
地址:
郵箱:
備注:
驗證碼:
上一條:
下一條:
友情鏈接:
400-100-1180
網站導航
首 頁
走進恒達
新聞中心
產品中心
監控與服務
公司實力
人才招聘
聯系我們
全國統一服務熱線:400-100-1180 手機:13937375086
地址:河南省長垣市南蒲區緯十一路北側、緯十路南側、北起院東側 網 址://1b1.org.cn
CopyRight 2015 起重機安全監控系統_樓層呼叫器_起重機風速儀_起重量限制器_起重機電子秤_河南恒達機電設備有限公司_恒萊達智能科技 All Rights Reserved 【
管理地址
】